许多工程师在设计振荡器电路时并没有花太多心思在石英晶体上。对他们来说,认为这是一项标准功能。事实上,事情并没有那么简单。
振荡器电路作为应用程序的心跳,需要将石英晶体与其他组件之间仔细匹配,如若匹配不当可能会影响到产品的正常使用。一个合格的振荡器电路,需要检查以下三个步骤:
频率精度
振荡器电路的主要任务是在整个应用周期和所有环境条件下产生稳定和准确的频率。因此,振荡器电路的总负载电容 (CL) 必须尽可能接近晶体的标称负载电容 (标称CL) 或理想匹配。
电路分析的第一步是确定石英晶体在其两个端子的总负载电容 (CL)。由于与电路的任何直接接触都会使测量结果失真,因此使用放置在电路上方一小段距离处的近场探头应在不接触的情况下进行测量。然后将晶体从电路中焊接出来,并使用晶体网络分析仪进行测量标称CL。
总CL与晶振标称CL的偏差越大,频率偏差越大。通过检查分析仪中的晶体,可以确定需要进行哪些校正来提高电路的频率精度。
振荡安全系数 (OSF)
第二步检查振荡器电路的振荡安全性(OSF),指电路在所有可能的环境条件下具备快速可靠地启动的能力。因此,分析集中在电路内的电子电阻上。
如图所示,电路中内置了一个新的附加电阻器 (R Pot)与石英晶体串联。然后逐步增加电阻器 (R Pot )的电阻,直到振荡停止。该方法模拟石英晶体在最坏情况下的最大允许阻抗。
典型的振荡电路(皮尔斯),带有一个额外的电阻来计算 OSF
以这种方式确定的最大阻抗与晶体的 ESR,max 之比最终得出振荡安全系数 (OSF)。
对于大多数标准应用来说, MHz 晶体(AT-Cut)大于5的OSF被认为是足够的。对于与安全相关的应用,例如汽车行业或医疗技术中的应用,通常需要大于10的OSF。
对于KHz晶体,3到5之间的OSF值必须已经被评为良好,大于5的值必须被评为非常好,因为这些电路的设计功耗非常低。
驱动电平
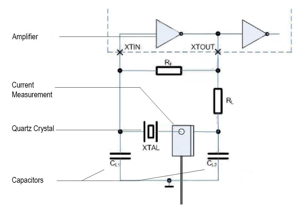
为了防止石英晶体过载,确定其上作用的电源。第三步是使用 HF 电流钳测量流过石英的电流强度(下图)。石英晶体的驱动电平是根据该测量结果和已经确定的电路参数计算得出的。驱动电平不得超过石英数据表中指定的最大值。
为了计算驱动电平,测量流过石英晶体的电流。
超过最大驱动电平可能导致频率偏差,或者在最坏的情况下,甚至导致石英晶体故障。
调整振荡器电路
通过以上三个测试得到合格的振荡器电路后,就可以集成到预期的应用程序中。如果测试显示有缺陷,则必须调整电路。例如,如果频率精度存在问题,电路中负载电容的变化可以减小电路CL与石英晶体标称CL之间的差异,从而提高频率精度。有时还需要将原来安装的晶体更换为另一种类型。一旦对电路的任何更改都意味着必须重新执行以上列出的所有测试。
如果您在开发初期遇到此类问题,我们FAE工程师可免费提供对产品的振荡器电路进行详细分析,旨在实现晶体和电路之间的最佳匹配,助力客户新产品研发。
推荐阅读

