0755-28444777
176 6539 4502
晶振,有源晶振,晶体振荡器,晶体谐振器,无源晶振,时钟芯片

晶振的两种电阻作用:反馈电阻与限流电阻

作者: 扬兴科技 日期:2025-04-22 浏览量:
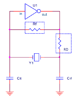
在晶体的振荡电路中一般会设计两个电阻,一个是跨接在晶振两端,叫做反馈电阻Rf;一个接在IC的输出端,叫做限流电阻RD;同晶体相连旁接的电容称之为负载匹配电容,通过调整容值的大小可以改变振荡电路的频率,而这些波形频率测试就可以观察的到。



1、反馈电阻Rf:
晶体串联的主芯片内部是一个线性运算放大器,将输入进行反向180度输出,晶振处的负载电容提供另外180度的相移,整个环路的相移呈360度,满足振荡的相位条件,同时还要求闭环增益大于等于1,此时晶振才能正常工作。
在实际的产品设计时,晶振部分的电路会有下面2种电路,图1电路中,没有1M的反馈电阻,图2电路中,晶振会并联一个1M的电阻,


反馈电阻的作用,总结3点:
1)配合IC内部电路组成负反馈,移相,使放大器工作在线性区。
2)稳定输出幅度和相位。
3)增加振荡电路稳定性。比如在温度变化时,可以通过调整电阻值来维持振荡频率的稳定。



2、限流电阻RD:
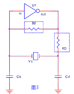
这个电阻的作用是限制IC的驱动能力,并且与Cd组成一个低通滤波器,以确保振荡器的起振点在基频上,而不是在其他高次谐波频率点上(避免3次,5次,7次谐波频率)。如果晶振的功耗超过晶振制造商的给定值,外部电阻Rd是必需的,用以避免晶振被过分驱动。如果晶振的功耗小于晶振制造商的给定值,就不推荐使用Rd,可以预设0Ω。如图3所示




对Rd值的预估可以通过考虑由Rd和Cd的电压分压Rd/Cd实现(注意到Rd和Cd构成了一个分压/滤波器,考虑通带宽度应不小于振荡器频率),则有Rd的值等于Cd的电抗:



限流电阻的作用,总结3点:
1)抑制EMI。我们可通过调整阻值改善EMI。
2)避免晶振被过分驱动,保护晶振电气性能的稳定性。
3)作为TP点方便波形量测。


最后提醒大家,如果IC部分已含有反馈电阻,那么外部晶振电路无需再加反馈电阻。所以记得认真看IC手册。如果晶振电路不存在过驱问题,那这颗限流电阻也可以省去。


推荐阅读

样品申请