0755-28444777
176 6539 4502
晶振,有源晶振,晶体振荡器,晶体谐振器,无源晶振,时钟芯片

晶振的主要参数

作者: 扬兴科技 日期:2025-03-24 浏览量:

晶振是电子设备中的关键元件,为各类电子产品提供稳定的时钟信号。了解晶振的主要参数能够更好地了解晶振性能以及如何根据参数选择合适的晶振。

晶振分为:

1、无源晶振:晶体谐振器Crystal Resonator需要匹配外部谐振电路才可以输出信号,自身无法振荡。

2、有源晶振:时钟振荡器Clock Oscillator比无源晶振输出信号好,稳定度高,不受外部电路影响,内部有独立起振芯片。


一、无源晶振(Crystal)主要参数

无源晶振主要参数

定义

标称频率(Nominal Frequency)

晶体在特定负载电容和温度条件下(通常25℃)的基准谐振频率。

负载电容(Load Capacitance, CL)

晶振工作时,其两端所连接的总等效电容

谐振电阻(Equivalent Series Resistance)

晶体在串联谐振时的等效阻抗

频差(Frequency to tolerance at 25℃)

出厂时在标称负载电容和常温(25℃)下的初始频率误差。

老化率(Aging)

晶体长期使用后因材料应力释放、污染物吸附等引起的累积频率偏移

温度稳定性(Stability over temperature)

晶体频率随温度变化的敏感度

储存温度(Storage Temperature Range )

无源晶振的储存温度

激励功率(Level of Drive )

对施加在石英晶片上的电流的规定参数指标,代表驱动晶振(振荡电路)所需的功率

振荡模式(Mode of vibration)

基频/泛音

工作温度 (Operating Temperature Range)

无源晶振的工作温度



二、有源晶振(Oscillator)主要参数

有源晶振主要参数

定义

标称频率 (Nominal Frequency)

晶振实际输出的时钟频率,可能包含分频/倍频后的值

频率稳定度(Frequency Stability)

全温度范围内频率最大偏移,包含初始误差、温度漂移、电压波动等综合影响

电源电压 (Supply Voltage)

晶振正常工作所需的供电电压范围

工作电流 (Current Consumption)

振荡器所消耗的电流总量

相位噪声(Phase Noise)

信号在频域上的短期稳定性,反映时钟抖动(Jitter)特性

起振时间(Start up time)

当电压开始供电的那一段起振,振荡器输出达到稳定时的时间

输出波形(Output Type)

CMOS、削峰正弦波、LVDS、LVPECL、CML、HCSL

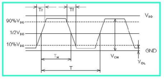
上升时间(Rise Time)

输出电压从Logic “0”到Logic “1”所花费的时间(10%->90%)

下降时间(Fall Time)

输出电压从Logic “1”到Logic “0”所花费的时间(90%->10%)


有源晶振输出波形



推荐阅读

样品申请