中文
/
ENGLISH
关于YXC
公司介绍
荣誉资质
合作伙伴
ESG
品牌故事
产品中心
石英晶体(Crystal)
表晶(KHZ)
石英晶体(MHZ)
热敏晶体(TSX)
车规级晶体(AECQ Crystal)
石英晶振(Oscillator)
CMOS晶振(CMOS XO)
差分晶振(Differential XO)
超低抖动(Ultra Low Jitter XO)
超低功耗(Ultra low power-XO)
宽温晶振(Wide Temp. XO)
车规级晶振(AEC-Q200 XO)
可编程晶振(Programmable)
CMOS可编程(CMOS XO)
差分晶振(Differential XO)
可编程压控晶振(VCXO)
可编程温补晶振(TCXO)
可编程压控温补(VCTCXO)
可编程展频晶振(SSXO)
压控晶振(VCXO)
CMOS压控晶振(CMOS VCXO)
差分压控(Differential VCXO)
温补晶振(TCXO)
差分温补(Differential TCXO)
高精度温补(High Precision TCXO)
超低噪声温补(Ultra Low Noise TCXO)
压控温补晶振(VCTCXO)
压控温补(CMOS VCTCXO)
差分压控温补(VCTCXO)
恒温晶振(OCXO)
超低噪声OCXO
超高稳OCXO
小型化OCXO
国产化OCXO
RTC
Real Time Clock (实时时钟)
时钟缓冲器 / 时钟发生器
差分时钟缓冲器(Clock Buffer)
单端时钟缓冲器(Clock Buffer)
时钟发生器(Clock Generator)
应用领域
应用领域
应用领域
汽车电子
工业电子
消费电子
网络通信
服务支持
服务场景
FAE测试
样品申请
环保报告
参数换算
扬兴产品手册
新闻资讯
晶振百科
行业资讯
公司新闻
生产流程
无冲突宣告书
晶振频点
技术解答
品质保证
可靠性测试标准
品质政策
品质系统
生产测试设备
联系我们
联系我们
在线留言
0755-28444777
176 6539 4502
晶振百科
行业资讯
公司新闻
生产流程
无冲突宣告书
晶振频点
技术解答
首页
新闻资讯
晶振百科
32.768Khz在电路中的作用
32.768Khz在电路中的作用
作者: 扬兴科技
日期:2024-12-16
浏览量:
在电子电路领域,32.768Khz(32768Hz)有着特殊的地位和重要的作用。
1、采用32.768Khz的原因
32.768Khz频率在电路设计中被广泛采用,主要是因为其特殊的数学特性。这个频率值经过简单的分频处理,可以方便地得到各种常用的时间基准。例如,通过合适的电路对其进行15次二分频,可以精确地产生1Hz的信号,这对于以秒为单位的计时功能实现非常关键。而且,该频率的晶体振荡器具有较高的稳定性,能够在不同的环境条件下保持相对稳定的输出,从而为电路提供准确可靠的时钟信号,满足诸如实时时钟(RTC)等对时间精度要求较高的应用场景。
2、32.768Khz外接负载的选择
外接负载对于32.768Khz晶体振荡器的性能有着显著影响。选择合适的负载电容至关重要。负载电容值需要根据晶体的规格参数和电路的具体要求来确定。如果负载电容选择不当,可能会导致晶体振荡器的频率偏移,进而影响整个电路的计时准确性。一般来说,常见的负载电容值在7pF 、9PF、12.5pF,在设计电路时,需要考虑与之相连的芯片引脚内部电容,通过计算来选择合适的外部负载电容,以保证晶体振荡器工作在其标称频率附近。
以下是常见负载对应的外接电容值:
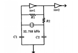
3、32.768Khz外接的电路
如图所示是晶振的整体电路。R1为反相器invl提供偏置,使其中的MOS管工作在饱和区以获得较大的增益;C1,C2和杂散电容一起构成晶体的电容负载, 同时它们和反相器invl一起可以等效为一负阻, 为晶体提供其振荡所需要的能量;R2用来降低对晶体的驱动能量, 以防止晶体振坏或出现异常; 反相器inv2对invl的输出波形整形并驱动负载。
4、32.768Khz与RTC的关系
实时时钟(RTC)作为众多电子设备中时间信息管理的核心模块,其精准运行高度依赖于稳定可靠的时钟源,而32.768Khz晶体振荡器所提供的信号在其中扮演着举足轻重的角色。
在RTC的工作原理中,时间的计量是通过一系列复杂而有序的计数过程实现的。32.768Khz的信号作为这个计数过程的基石,其重要性不言而喻。由于RTC需要精确到秒级甚至更细粒度的时间单位,32.768Khz频率的优势就凸显出来。这个特定频率经过特定的电路设计和内部逻辑处理,可以方便且准确地转换为秒信号。
具体而言,通过对32.768Khz信号进行一系列精确的分频操作,能够在RTC内部产生一个稳定的1Hz信号,而这个1Hz信号正是实现秒计时的关键。每一次1Hz信号的脉冲,就代表着时间走过了一秒,这种基于32.768Khz的分频计时机制构成了RTC对秒计时的基础。
从更广泛的时间维度来看,在实现了秒计时的基础上,RTC利用内部的计数器和寄存器,以32.768Khz信号衍生出的1Hz信号为节拍,进一步对分、时、日等时间单位进行累计和记录。这种精确的计时功能对于各种需要记录时间的电子设备至关重要。
在智能手机中,用户设定的闹钟、日程提醒等功能都依赖于RTC的准确计时,一旦32.768Khz信号出现偏差,可能导致闹钟提前或延迟响起,日程安排错乱等问题;
在电脑主板上,操作系统的时间同步、文件创建和修改时间的记录等操作也都与RTC紧密相关,不准确的32.768Khz信号可能造成系统时间错误,进而影响到文件管理和一些对时间敏感的应用程序的正常运行。
对于智能手表这类可穿戴设备,其小巧的体积内对时间精度要求更高,32.768Khz信号质量直接决定了手表显示时间的准确性,影响用户对设备的使用体验。
此外,32.768Khz信号的稳定性对于RTC在长时间运行中的准确性至关重要。在不同的环境条件下,如温度变化、电磁干扰等因素存在时,32.768Khz晶体振荡器如果能够保持稳定的输出,RTC就能持续准确地计时。然而,如果32.768Khz信号的频率由于外界因素发生了哪怕是微小的偏差,经过长时间的积累,也会导致RTC计时出现明显的误差。因此,在设计包含RTC的电路时,工程师们需要采取一系列措施来确保32.768Khz晶体振荡器工作在最佳状态,以保障RTC计时的高精度和高可靠性。
5、YXC推荐计时解决方案
· 32.768Khz谐振器
在计时系统中,32.768Khz的晶振通常用于为RTC提供稳定且精确的时钟信号,与RTC搭配共同确保了电子设备中时间记录的准确性和可靠性。目前主流使用的为封装尺寸3.2*1.5mm、2.0*1.2mm的32.768Khz晶振,YXC还提供了小体积1.6*1.0mm的32.768Khz晶振,用于满足小型化或集成化的计时方案需求。
6、YXC一体式解决方案(RTC+32.768Khz)
为满足计时需求,YXC提供一体式计时解决方案(RTC+32.768Khz)。推荐RTC产品
YSN8563
,该款RTC封装为SOP-8,通信接口为I2C Bus,满足1.2~5.5V工作电压。同时提供与YSN8563相搭配的32.768KhzHz产品(上述
YST310S
/
YSX2012SK
等)。一体化的解决方案简化了开发和调试过程,同时保证了产品的整体可靠性,能够实现更精确的计时功能。
电容和电阻与晶振如何搭配运作?
四脚晶振怎么区分有源无源
推荐阅读
单片机晶振电路的原理和作用
晶振,有源晶振,无源晶振
四脚晶振怎么区分有源无源
晶振,有源晶振,无源晶振,贴片晶振
晶振PPM误差分析与计算方法
晶体振荡器
无源晶振与有源晶振的区别
无源晶振与有源晶振的区别
样品申请
在线咨询
咨询热线
座机:0755-28444777
手机:176 6539 4502
QQ咨询
QQ:3008636062
微信咨询
投诉建议
投诉建议
建议或问题
(必填)
:
联系方式
(必填)
: