0755-28444777
176 6539 4502
晶振,有源晶振,晶体振荡器,晶体谐振器,无源晶振,时钟芯片

无源晶体分类及重要参数讲解

作者: 扬兴科技 日期:2024-11-25 浏览量:
无源晶体分类介绍及重要参数讲解

· 无源晶体的分类


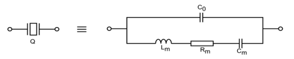
晶体振荡电路等效模型

石英晶体是一种可将电能和机械能相互转化的压电器件,能量转变发生在共振频率点上。它可用如下模型表示

石英晶片经过被电极,上架、封装即成为压电谐振器。当外加电场的交变频率与石英晶片的固有频率相接近,且外加电压的角频率ω等于石英机械振动的固有谐振角频率ω时(取决于石英晶体的几何尺寸和切型),晶片产生机械谐振,弹性振动通过压电效应与回路相耦合,其效果等于由Lm,Cm,Rm的串联臂和C0并联组成的谐振回路。此时机械振动的幅度最大,相应地晶体表面所产生的电荷量最大,外电路中电流最大。

C0:Shunt Capacitance表示晶片与涂敷银层构成的静电容。
Lm:Motional Lnductance是晶体振荡时机械振动惯性的等效电感。
Cm:Motional Capacitance 是晶体谐振时晶片弹性的等效电容。
Rm:Resistance 用于等效晶片振动时的磨擦损耗。

· 石英晶体谐振器的主要参数
标称频率:该频率特指晶体技术条件中规定的频率,表示为MHz或KHz。
调整频差:标称频率在一定温度(一般是25℃)下的允许偏差,表示为百分数(%)或百万分之几(ppm)。
负载电容(CL):与晶体一起决定负载谐振频率的有效外界电容。任何外部电容一旦与石英晶体串联,即会成为其谐振频率的一个决定因素。负载电容变化时,频率也会随之改变。因此,在电路中使用时,经常会以标准负载电容来微调频率至期望值。
工作温度范围:石英晶体元器件在规定的误差内工作的温度范围。
温度频差:在规定条件下,在工作温度范围内相对于基准温度(25℃±2℃)时工作频率的允许偏差。
等效串联电阻(Rr):晶体在谐振频率下的电阻值,单位为欧姆。
激励功率(DL石英晶体谐振器的主要参数):晶体工作时所消耗功率的表征值。
最大功率是大多数功率器件在保证正常电气参数的情况下,维持工作所消耗的功率,单位为mW或uW。一般情况激励功率应维持在确保石英晶体正常起振和稳定振荡所需要的最低值,以避免年老化特性不良和晶体损伤。
储存温度:晶体在非工作状态下保持标准特性的温度范围。
绝缘电阻:引线之间或引线和壳体之间的电阻。
DLD2:在特定的功率范围内所测量到的最大与最小阻抗的偏差量。
RLD2:在指定的变化功率范围内测量到的最大阻抗。
TS:Trim sensitivity 负载电容值每变化1PF时FL的变化量(单位:ppm/PF)
老化:工作频率在特定时间范围内的变化量,一般表达为最大值,单位是每年频率变化量的百万分之几(ppm/年)。频率随时间而变化的原因有很多,如:密封性和完整性、制造工艺、材料类型、工作温度和频率。

· 250B测试


· 规格书描述


推荐阅读

样品申请