温补晶振作为晶振的一小类,在5G正值高速发展中,TCXO又再一次进入时下公众的视野。
TCXO发展现状
温补晶振由普通化转换成小型化是一个过程,在近十几年中得到稳定长足发展, 其中在精密TCXO的研究开发与生产方面,日本居领先和主宰地位。其中有些产品必须使用TCXO晶振,比如手机,摄像机等智能产品,从而促使在30年中,TCXO的体积缩小了50余倍乃至100倍。高精度、 低功耗和小型化,仍然是TCXO的研究课题。 在小型化与片式化方面, 面临不少困难, 其中主要的有两点:
一是小型化会使石英晶振振子的频率可变幅度变小, 温度补偿更加困难;
二是片式封装后在其回流焊接作业中, 由于焊接温度远高于 TCXO 的最大允许温度, 会使晶体振子的频率发生变化, 若不采限局部散热降温措施, 难以将 TCXO的频率变化量控制在±0.5×10-6 以下。 但是, TCXO 的技术水平的提高并没进入到极限, 创新的内容和潜力仍较大。
TCXO工作原理
温补晶振,即温度补偿晶体振荡器,英文缩写 TCXO。是通过附加的温度补偿电路使由周围温度变化产生的振荡频率变化量削减的一种石英晶体振荡器。

通俗地讲就是它对晶振频率可以起到一个温度补偿的作用。 比如说在某些高温的环境下, 有些产品会因为高温出现不良的现象, 严重甚至会导致整个产品瘫痪, 在这种情况下就会用到温补晶振。 其原理是通过感应周围环境温度, 将温度信息做适当变换后控制晶振的输出频率, 以求达到稳定输出频率的效果。 它可以在天气温度变化中起到一个互相补助的作用, 遇到气温低的情况它会根据本身的温度补偿电路来补偿由周围温度变化产生出的振荡频率偏差, 从而保护产品的稳定性。

温补晶振术语来自石英晶体振荡器的一种补偿方式已达到产品应用方面的精度要求。温补晶振定义是将压电石英晶体原有的物理特性(压电效应下频率随温度成三次曲线变化),通过外围电路逆向改变使得石英晶体原有频率随温度的变化尽可能的变小的一种补偿方式所做的石英晶体振荡器。
TCXO特点
Ø较高的频率稳定度
Ø高频、高可靠性
Ø小型化、低功耗
Ø在小电流下能够快速启动
TCXO补偿类型
温补晶振TCXO中, 对石英晶体振子频率温度漂移的补偿方法主要有直接补偿和间接补偿两种类型:
第一种补偿方式是直接补偿型TCXO
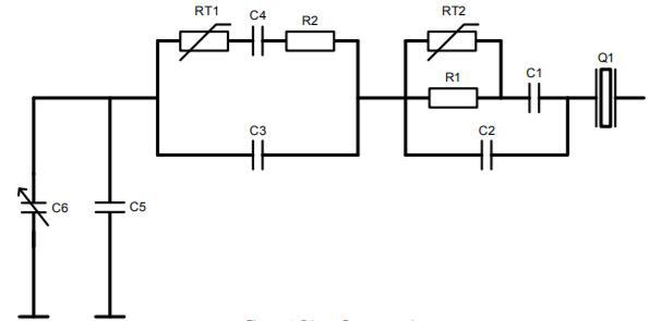
是由热敏电阻和阻容元件组成的温度补偿电路, 在振荡器中与石英晶体振子串联而成的。 在温度变化时, 热敏电阻的阻值和晶体等效串联电容容值相应变化, 从而抵消或削减振荡频率的温度漂移。 该补偿方式电路简单, 成本较低, 节省印制电路板(PCB) 尺寸和空间, 适用于小型和低压小电流场合。 但当要求晶体振荡器精度小于±1ppm 时, 直接补偿方式并不适宜。

第二种补偿方式是间接补偿型TCXO
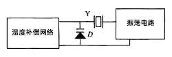
该补偿方式又分模拟式和数字式两种类型。 模拟式间接温度补偿是利用热敏电阻等温度传感元件组成温度-电压变换电路, 并将该电压施加到一支与晶体振子相串接的变容二极管上, 通过晶体振子串联电容量的变化, 对晶体振子的非线性频率漂移进行补偿。 该补偿方式能实现±0.5ppm 的高精度, 但在3V 以下的低电压情况下受到限制。 数字化间接温度补偿是在模拟式补偿电路中的温度—电压变换电路之后再加一级模/数(A/D) 变换器, 将模拟量转换成数字量。 该法可实现自动温度补偿, 使晶体振荡器频率稳定度非常高, 但具体的补偿电路比较复杂, 成本也较高, 只适用于基地站和广播电台等要求高精度化的情况。

TCXO应用领域
温补晶振典型应用适用于各种数字通信设备、 频率计量仪表作为高稳定度的时基信号源使用,如用于 5G、 LTE 等新一代移动通信网络设备、 数字程控交换机、 接入网设备, 各种 SDH、 PDH 等同步传输设备, GSM、 CDMA 等移动交换设备的同步信号, 也用于各种频率计等测试设备作为频率标准信号。
TCXO常用频点
其中比较常用的是19. 2M,常用于手机
温补晶振选型参数表

推荐阅读