在日常采购晶振中,如果采购员询的料比较偏的时候,得到的回复往往是没有这个料,这很令采购员苦恼,料找不到又没有具体的解决办法。
别着急!看了这篇晶振替代规则
轻松搞定晶振偏料问题
当然一般专业的业务员则会建议客户使用其他款进行替代,以便于后续产品的开发。
对于晶振替代问题上,大家是不是会有这些疑虑:
→替代的晶振可不可靠?
→会不会造成产品不良?
→有没有具体的替代依据等等问题?
给大家一一介绍不同情况下的晶振是如何选择替代的?
01不同晶振品牌替代
准确来说,每个品牌都有与之相对应的替代型号。
当然要替代一个晶振,不能只靠这一个参数特性,其次要分析替代的晶振负载电容大小,温漂,频差,工作环境等参数是否一致,或者高于原型号参数都是可以替代使用的。

通常在更换晶振时都要用相同型号的产品,或者相同体积、参数都一致的产品,石英晶振有很多型号晶振可以相互替代的。
02不同晶振类型替代
有源的晶振是自带电压的,而无源晶振需要外接振荡电路,两者不能直接替代,所以有源还是无源要确认好。
03不同晶振外观替代
插件晶振替代贴片晶振,需要注意采购贴片晶振的时候,要仔细咨询技术人员,并对比产品尺图、规格书等,仔细了解替代产品的参数以及晶振的封装尺寸。

#此外注意区分替代插件晶振是无源还是有源。
# 插件晶振有源和无源在参数上有很大的不同。
04不同晶振脚位替代
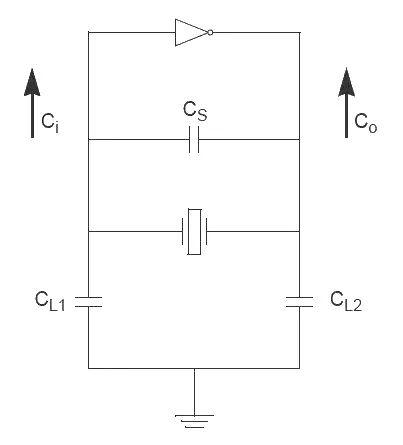
三脚的晶振只是将两个起振电容封装起来了,中间脚是地线用两脚封装代替时,将两脚接在两端,并从两端各连接一个电容到地线。
05不同晶振频率替代
不同频率的晶振是可以变通代换的,高频的代替低频的需要串联一个电容,低频的代换高频的需要并上一个电容。
所以,标称频率相同的晶振互换时还必须要求负载电容一致,不能冒然互换,否则会造成电器工作不正常。
最后,如果您需要替代晶振时,最好先咨询晶振厂家,专业的技术团队会为您分析哪些型号是可以相互替代使用的,并且给出相对应的规格书指导参考,让您更清晰的了解两者型号参数特性。
推荐阅读

