第一种晶体振荡器电路图:
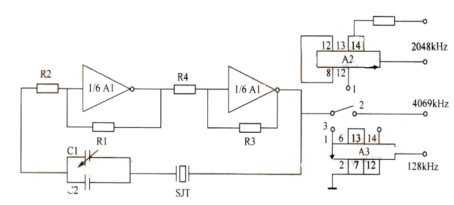
如图所示,它是一个简单的晶体振荡器电路,由A1的三个栅极,四个电阻,调谐电容器和一个晶体组成。在图中,A1和晶体谐振器SJT以及电容器构成4069kHz的方波信号。将开关设置为1点,然后将其发送到A2。将A2除以2后,可获得2048kHz振荡信号。开关放置在3点处并发送到A3。将A2除以2后,即可获得128kHz振荡信号。调谐电容器C1和C2可以将频率精确地调谐到中心频率。晶体SJT连接在A1的输入和输出端子之间,以晶体的基频提供反馈环路。
在图中,A1和晶体谐振器SJT以及电容器构成4069kHz的方波信号。将开关设置为1点,然后将其发送到A2。将A2除以2后,可获得2048kHz振荡信号。开关放置在3点处并发送到A3。将A2除以2后,即可获得128kHz振荡信号。调谐电容器C1和C2可以将频率精确地调谐到中心频率。
晶体SJT连接在A1的输入和输出端子之间,以提供一个反馈环路,该反馈环路会在晶体的基频上产生振荡。
第二种晶体振荡器电路图:
极管TV2执行信号放大并且通过电容器C8耦合出。其中,电阻器RI,R2以及电阻器R5,R6和R7是晶体管VT1和VT2的DC偏置元件。L2是高频扼流圈,可为振荡管VT1的集电极电流提供直流路径。C2是隔直电容。C3和C7是交流旁路电容器,因此VT1的发射极处于交流零电位,但直流电位不为零。电感器L1,电容器C6和电阻器R3是改进的电源滤波器电路,其作用是降低纹波电压以振荡直流分量。电容器C4和C8可以略微调节以改变耦合信号的大小。
1.组件小号选
电容器C1为20p,C2为100p,C3和C7为820p,C4为56p,C5和C8为47p,C6为47u / 50V。电感L1为22 uH(色码电感),L2为0.3 uH。电阻R1为1.6kΩ,R2为1kΩ,R3为750Ω,R4为180Ω,1W,R5为1.3kΩ,R6为3kΩ,R7为360Ω,R8为470Ω,R9-R12为300Ω,2W。晶体管VT1,VT2选择3DG82B,65≤β≤115。晶体SJT使用JA9B型-70MHz。继电器KM是JUC-1M。
2. 注意事项
(1)使用石英晶体时,必须注意一个实际问题。这是晶体本身的激发功率。当激励功率大时,输出功率也大。此时,晶体管引入的噪声没有受到很大的影响。但是,过多的晶体激发功率会降低晶体的长期稳定性(老化特性)。当晶体激发功率较小时,长期稳定性良好,但是优选使用低噪声晶体三极管。
(2)由于晶体频率受温度的影响很大,为了确保晶体频率的稳定性,有必要注意晶体的恒温。将晶体放置在恒温浴中,并且通过恒温控制电路维持恒温浴中的温度以维持晶体的拐点温度。因此,为了稳定振荡频率和振荡幅度,将晶体SJT和VT1,VT2放置在培养箱中。孵化器由R9-R12的四个2W金属膜电阻器加热,并使用小型密封温度继电器KM作为温度控制元件。盒子内部的温度为+55°C(所用晶体的拐点温度通常为+60±5°C)。为了减小培养箱的体积,回路中的组件应尽可能小。如果包装箱内的温度高于+55°C,则KM-1.2触点断开;如果≤+55°C,则KM-1.2触点闭合,以确保箱内温度设置为+55°C。
第三种晶体振荡器电路图:

该电路在100kHz至5MHz的频率范围内振荡。工作特性取决于电源电阻。可以使用微调电容器来调节频率。输出电阻很高,其后是源极跟随器作为隔离器以支持该缺点。
第四种晶体振荡器电路图:
这个简单且便宜的晶体振荡器由74LS04的两个门和外围组件组成。电路如图3所示:
电阻器R1和R2在线性范围内对两个反相器F1,F2进行偏置,并提供一个来自晶体SJT的反馈环路,该环路在晶体的基频上产生20MHz的振荡频率,然后由反相器F3发送至74LS74。构造的D型触发器被分割。要执行两路或四路,八路等操作,您需要遵循2n分频规则(n是级数)。n = 1,则分频为21 = 2,即A1 =分频电路后为20MHz,Q1输出10MHz;如果是四分频,n = 2,则22 = 4的分频,即20MHz被A1和A2分频。电路后,Q2输出5MHz;如果将频率除以三,则当f的第三个脉冲结束时,Q1 = 1,Q2 = 1,则Q1 = 0,Q2 = 0,或者非门HF1的输出为1,至R端子重置,将Q1和Q2复位为00。将A1和A2除以3后,Q2输出约为6.7MHz。如果将频率除以5,则当计数为5时,Q1Q2Q3 = 101,即Q1 = 0。Q3 = 0,或非门HF2的输出为1,并且Q1,Q2和Q3重置为000。结果,Q3输出4MHz频率。
显然,输出状态由D决定,输出状态的翻转由CP控制,CP可以生成适合其需求的各种频率。
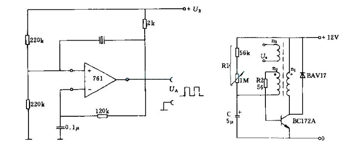
第五种晶体振荡器电路图:
使用运算放大器的晶体振荡器电路。该电路使用输出脉冲频率高达10MHz的761运算放大器。2kΩ电阻用作运放输出级的集电极开路负载。

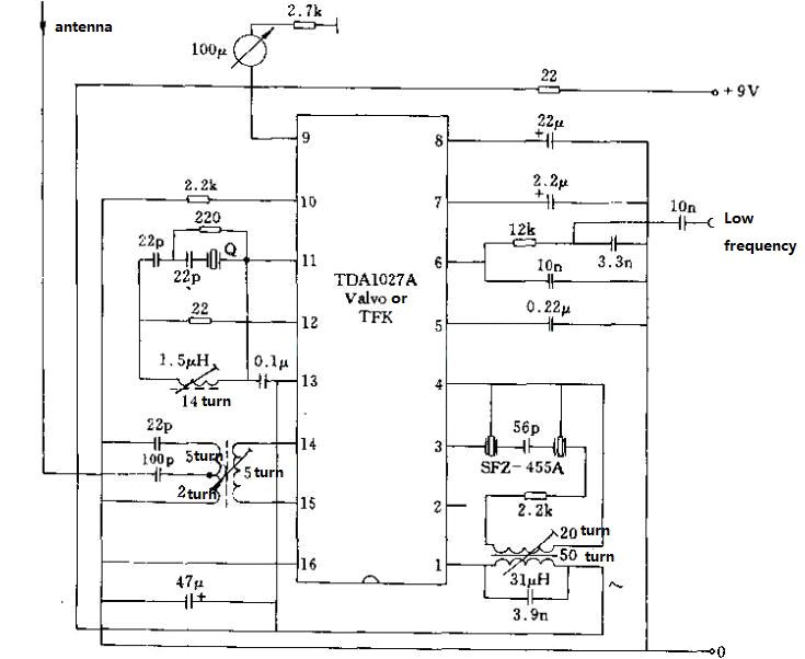
第六种晶体振荡器电路图:
带有石英晶体振荡器的无线电电路。该电路频率可以为27MHz。中频为455 kHz。为了增加接收功率,此处使用场效应晶体管前级。

第七种晶体振荡器电路图:
频率高达2MHz的石英晶体振荡器电路。图(a)和(b)显示了两个2MHz振荡器基本电路。根据电路结构,可以通过测试调整来确定最佳工作点。
第八种晶体振荡器电路图:
场效应晶体瞥石英晶体振荡器电路。该振荡器以51MHz(17MHz 3次谐波)晶体工作。根据结构的不同,漏极至栅极的电容可以选择为0.5至1.8 pF。L2参数约为L1的20%。可以通过470Ω的源电阻来改变振荡特性。

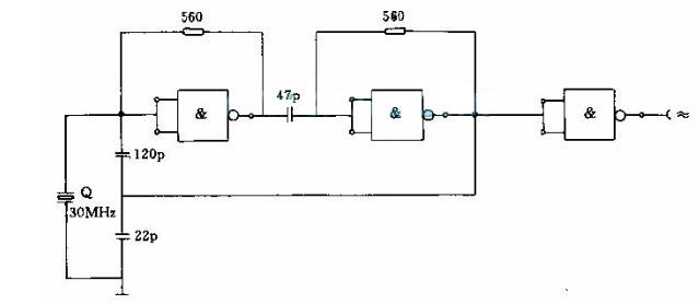
第九种晶体振荡器电路图:
使用NAND门的30MHs石英晶体振荡器电路。该电路由TTL集成电路(745000)组成。使用石英晶体频率的三次谐波操作。精确选择47pF电容器(10-100pF)可以保证振荡性能。输出电压约为3.5V(峰峰值)。

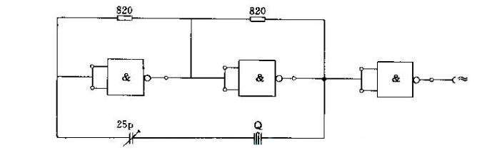
第十种晶体振荡器电路图:
使用与非门的石英晶体振荡器电路。该电路使用两个7400TTL NAND门,其振荡频率高达10MHz。必须小心地将两个820Ω电阻调谐到选定的振荡频率。
以上是小扬简单整理的10种晶体振荡器电路图,对于不同类型的晶振电路图有不同的接法;如果您遇到以上这些电路问题可以进行参考,不了解的地方欢迎登陆YXC扬兴官网在线咨询客服,我们会安排技术工程师为您解答!
推荐阅读