经过技术团队几个月的研发及测试,YXC扬兴科技又上线了两款49S直插晶振新品,分别命名为HC-49XS,HC-49XSMD。今天小编主要跟大家谈一谈这两款小体积49S晶振有什么不一样之处,对比之前的HC-49US,HC-49SMD,它们有何优势。
HC-49XS主要参数信息
应用领域
应用于电脑设备、机顶盒、LCDM和电缆调制解调器等领域。
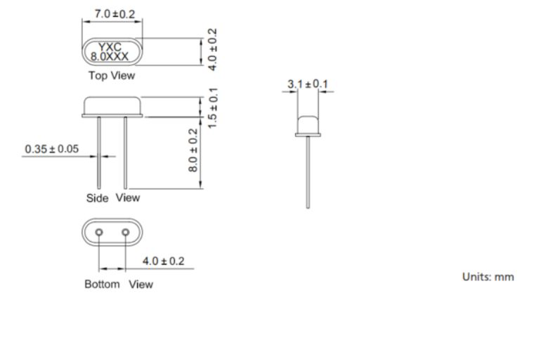
HC-49XS规格图
HC-49XSMD主要参数信息
应用领域
应用于电脑设备、机顶盒、LCDM和电缆调制解调器等领域。
HC-49XSMD规格图
HC-49US&HC-49XS对比分析
HC-49XS具有超小超极致尺寸, 厚度仅有49US的一半整体小了一圈体积变小却保持着高质量的性能。
HC-49SMD&HC-49XSMD对比分析
HC-49XSMD比49SMD的长小了5.3mm,厚度薄了1.8mm,这无疑是一次新的突破。
在不断突破,成就小体积晶振的同时保持着高精度、高频率稳定性、可靠性。
推荐阅读

